韦德online(中国)概述

技术参数
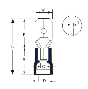
| 编 号 Item NO. | 美制螺栓号 American | 尺寸Dimension | 颜色 Color | 使用工具 use the tools | 说明 Explanation | ||||||
| W | F | L | B | D | T | C | |||||
| MDVYD1.25-110(5) | 020×110 (0.5×2.8) | 2.8 | 6.5 | 19.0 | 10.5 | 3.8 | 0.5 | 1.7 | 红 Red | CHS-30J 使用红色 钳口 | 端头材料:黄铜 绝缘材质:PVC加铜套 导线截面:0.5-1.5mm² A.V.G:(22-16) 最大电流:Imax=10A 最大耐温:75℃ |
| MDVYD1.25-110(8) | 032×110 (0.8×2.8) | 0.8 | |||||||||
| MDVYD1.25-187(5) | 020×187 (0.5×4.75) | 4.8 | 6.4 | 0.5 | |||||||
| MDVYD1.25-187(8) | 020×187 (0.8×4.75) | 0.8 | |||||||||
| MDVYD1.25-250 | 032×250 (0.8×6.35) | 6.35 | 21.0 | 0.4 | |||||||
| MDVYD2-187(5) | 020×187 (0.5×4.75) | 4.8 | 19.0 | 10.5 | 3.8 | 0.5 | 2.3 | 蓝 Blue | CHS-30J 使用蓝色 钳口 | 端头材料:黄铜 绝缘材质:PVC加铜套 导线截面:1.5-2.5mm² A.V.G:(16-14) 最大电流:Imax=15A 最大耐温:75℃ | |
| MDVYD2-187(5) | 032×187 (0.8×4.75) | 0.8 | |||||||||
| MDVYD2-250 | 032×250 (0.8×6.35) | 6.35 | 7.7 | 21.8 | 0.4 | ||||||
| MDVYD5.5-187(8) | 032×250 (0.8×4.75) | 4.8 | 6.7 | 22.0 | 13.0 | 6.2 | 0.4 | 3.4 | 黄 Yellow | CHS-30J 使用黄色 钳口 | 端头材料:黄铜 绝缘材质:PVC加铜套 导线截面:4-6mm² A.V.G:(12-10) 最大电流:Imax=24A 最大耐温:75℃ |
| MDVYD5.5-250 | 032×250 (0.8×6.35) | 6.35 | 7.7 | 24.0 | 0.4 | ||||||


中文简体
English
ภาษาไทย
日本語
韦德online(中国)询单
收缩所有详情