韦德online(中国)概述

技术参数
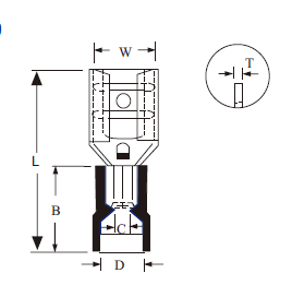
| 编 号 Item NO. | 美制螺栓号 American | 尺寸Dimension | 颜色 Color | 使用工具 use the tools | 说明 Explanation | |||||
| W | L | B | D | T | C | |||||
| FDVYD1.25-110(5) | 020×110 (0.5×2.8) | 3.2 | 19.0 | 10.5 | 3.8 | 0.3 | 1.7 | 红 Red | CHS-30J 使用红色 钳口 | 端头材料:黄铜 绝缘材质:PVC加铜套 导线截面:0.5-1.5mm² 最大电流:Imax=10A 最大耐温:75℃ Wire range:0.5-1.5mm² A.W.G:(22-16) Max.current=10A |
| FDVYD1.25-110(8) | 032×110 (0.8×2.8) | 3.2 | ||||||||
| FDVYD1.25-187(5) | 020×187 (0.5×4.75) | 5.0 | 19.4 | 0.35 | ||||||
| FDVYD1.25-187(8) | 020×187 (0.8×4.75) | 5.0 | ||||||||
| FDVYD1.25-205(5) | 020×205 (0.5×5.2) | 5.7 | 19.3 | |||||||
| FDVYD1.25-250 | 032×250 (0.8×6.35) | 6.6 | 20.8 | 0.4 | ||||||
| FDVYD1.25-312 | 032×312 (0.8×8.0) | 8.2 | 24.5 | |||||||
| FDVYD2-110(5) | 020×110 (0.5×2.8) | 3.2 | 19.0 | 10.5 | 4.7 | 0.3 | 2.3 | 蓝 Blue | CHS-30J 使用蓝色 钳口 | 端头材料:黄铜 绝缘材质:PVC加铜套 导线截面:1.5-2.5mm² 最大电流:Imax=15A 最大耐温:75℃ Wire range:1.5-2.5mm² A.W.G:(16-14) Max.current=15A |
| FDVYD2-110(8) | 032×110 (0.8×2.8) | 3.2 | ||||||||
| FDVYD2-187(5) | 020×187 (0.5×4.75) | 5.0 | 19.4 | |||||||
| FDVYD2-187(8) | 020×187 (0.8×4.75) | 5.0 | ||||||||
| FDVYD2-205(8) | 020×205 (0.8×6.35) | 5.7 | 19.3 | 0.35 | ||||||
| FDVYD2-250 | 032×250 (0.8×6.35) | 6.6 | 20.8 | 0.4 | ||||||
| FDVYD2-312 | 032×312 (0.8×8.0) | 8.2 | 24.5 | |||||||
| FDVYD2-375 | 047×375 (1.2×9.4) | 10.0 | 26.1 | |||||||
| FDVYD5.5-110(5) | 020×110 (0.5×2.8) | 3.2 | 22.0 | 13.0 | 6.2 | 0.4 | 3.4 | 黄 Yellow | CHS-30J 使用黄色 钳口 | 端头材料:黄铜 绝缘材质:PVC加铜套 导线截面:4-6mm² 最大电流:Imax=24A 最大耐温:75℃ Wire range:4-6mm² A.W.G:(12-10) Max.current=24A |
| FDVYD5.5-110(8) | 032×110 (0.8×2.8) | 3.2 | ||||||||
| FDVYD5.5-187(5) | 020×187 (0.5×4.75) | 5.0 | 22.0 | |||||||
| FDVYD5.5-187(8) | 020×187 (0.8×4.75) | 5.0 | ||||||||
| FDVYD5-250 | 032×250 (0.8×6.35) | 6.6 | 23.3 | |||||||
| FDVYD5-312 | 032×312 (0.8×0.8) | 8.2 | 27.0 | |||||||
| FDVYD5-375 | 047×375 (1.2×9.4) | 10.0 | 28.6 | 0.5 | ||||||


中文简体
English
ภาษาไทย
日本語
韦德online(中国)询单
收缩所有详情