韦德online(中国)概述
◆韦德online(中国)材质:接头主体部位采用黄铜镀镍制成,夹紧件采用尼龙塑料(PA)制成,密封件和O型密封圈均采用丁腈橡胶(NBR)制成。
◆韦德online(中国)认证:欧洲CE认证、欧洲ROHS认证、欧洲REACH认证。
◆防护等级:在规定的卡口范围内,并使用O型密封圈旋紧迫紧头,达到IP68-10巴压力。
◆适用温度:静态:-40℃到100℃,短时间达120℃;动态:-20℃到80℃,短时间达100℃。
◆螺纹长度:短螺纹适合用于薄型机板的开孔或附有内螺纹的设备上,长螺纹适合接合厚型机板。螺纹加长型可定制。
◆韦德online(中国)特性:特殊夹紧爪与夹紧圈凹凸相扣之设计,配合迫紧头装配省时便利,夹紧电缆范围大、抗拉力强、可防水、防尘、抗盐、耐酸缄、酒精、油脂及一般溶剂。
◆使用方法:金属电缆防水接头是电缆的配套韦德online(中国),接头可将电缆锁紧,另一端可接入设备箱体上,也可以根据选用螺纹接入进出口为内螺纹的电动设备上。
◆更多选择:可根据客户实际需要,特别定制。需要订购时欢迎来电咨询。

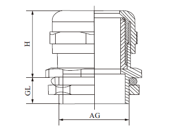
技术参数
| 编 号 Item NO. | 适用电缆 (mm) Cable range | 螺纹外径 (mm) Thread O.D. | 机板口径 (mm) Mounting hole diameter | 螺纹长度 GL (mm) Thread length GL | 接合长度 H (mm) Joint length H | 扳手径 (mm) Spanner size |
| M8×1 | 5.5-2 | 8 | 8-8.2 | 5 | 16 | 12 |
| M10×1 | 6.-3 | 10 | 10-10.2 | 7 | 19 | 14 |
| M12×1.5 | 6.5-3 | 12 | 12-12.2 | 7 | 19 | 14 |
| M14×1.5 | 8-4 | 14 | 14-14.2 | 7 | 19 | 17 |
| M16×1.5 | 8-4 | 16 | 16-16.2 | 8 | 20 | 18 |
| M18×1.5 | 10-5 | 18 | 18-18.2 | 8 | 21 | 20 |
| M20×1.5 | 12-6 | 20 | 20-20.2 | 8 | 22 | 22 |
| M22×1.5 | 14-10 | 22 | 22-22.2 | 8 | 23 | 24 |
| M24×1.5 | 14-10 | 24 | 24-24.2 | 9 | 25 | 24/27 |
| M25×1.5 | 14-10 | 25 | 25-25.2 | 9 | 25 | 24/27 |
| M27×1.5 | 18-13 | 27 | 27-27.2 | 9 | 27 | 30 |
| M28×1.5 | 18-13 | 28 | 28-28.2 | 9 | 27 | 30 |
| M30×1.5 | 18-13 | 30 | 30-30.2 | 9 | 29 | 30/32 |
| M32×1.5 | 22-15 | 32 | 32-32.2 | 10 | 29 | 35 |
| M36×1.5 | 25-18 | 36 | 36-35.2 | 10 | 31 | 40 |
| M40×1.5 | 25-18 | 40 | 40-40.2 | 11 | 31 | 40/45 |
| M42×1.5 | 30-22 | 42 | 42-42.2 | 11 | 35 | 45 |
| M48×1.5 | 33-25 | 48 | 48-48.2 | 11 | 37 | 50/52 |
| M50×1.5 | 38-32 | 50 | 50-50.2 | 12 | 37 | 50/52 |
| M54×1.5 | 38-32 | 54 | 54-54.2 | 12 | 38 | 57 |
| M60×1.5 | 44-37 | 60 | 60-60.2 | 13 | 38 | 64 |
| M63×1.5 | 44-37 | 63 | 63-63.2 | 13 | 38 | 64/68 |
| PG7 | 6.5-3 | 12.5 | 12.5-12.7 | 7 | 19 | 14 |
| PG9 | 8-4 | 15.2 | 15.2-15.4 | 8 | 20 | 17 |
| PG11 | 10-5 | 18.6 | 18.6-18.8 | 8 | 21 | 20/21 |
| PG13.5 | 12-6 | 20.4 | 20.4-20.6 | 8 | 22 | 22 |
| PG16 | 14-10 | 22.5 | 22.5-22.7 | 9 | 23 | 24 |
| PG19 | 14-10 | 25 | 25-25.2 | 9 | 25 | 24/27 |
| PG21 | 18-13 | 28.3 | 28.3-28.5 | 9 | 27 | 30 |
| PG25 | 22-15 | 32 | 32-32.2 | 10 | 29 | 35 |
| PG29 | 25-18 | .37 | 37-37.2 | 11 | 31 | 40 |
| PG36 | 33-25 | 47 | 47-47.2 | 12 | 37 | 50 |
| PG42 | 38-32 | 54 | 54-54.2 | 13 | 38 | 57 |
| PG48 | 44-37 | 59.3 | 59.3-59.5 | 14 | 38 | 64 |
| PG63 | 52-42 | 72 | 72 | 15 | 42 | 77 |


中文简体
English
ภาษาไทย
日本語
韦德online(中国)询单
收缩所有详情