韦德online(中国)介绍
◆材质:采用UL认可之尼龙耐热性材料制成。
◆适用温度范围:-40℃-105℃。
◆安装温度范围:-10℃-105℃。
◆特点:固定头成杉树状,可用于各种面板厚度,能最大限度减少灰尘、污垢和水的进入。

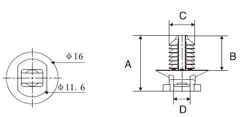
技术参数
| 编号 Item NO. | 配合扎带宽度 Matched cable ties width(mm) | A | B | C | D | 孔径(φ) Hole Dia. | 机板厚度 Panel Thickness |
| mm | mm | mm | mm | mm | mm | ||
| FTH-7.5 | 3.6-4.8 | 13.8 | 7.5 | 7.9 | 5.2 | 6-7 | 0.6-4 |
| FTH-10.5 | 3.6-4.8 | 17 | 10.5 | 7.9 | 5.2 | 6-7 | 1-6 |


中文简体
English
ภาษาไทย
日本語
韦德online(中国)询单
收缩所有详情