韦德online(中国)概述

技术参数
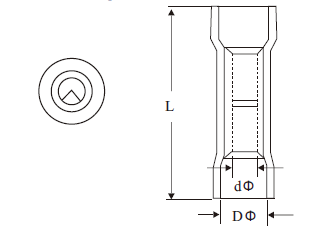
| 编 号 Item NO. | 尺寸 Dimension (mm) | 导线面积 A.W.G mm² | 颜 色 Color | |||||
| L | DΦ | dΦ | ||||||
| BNY-1.25 | 27.3 | 3.2 | 1.7 | 22-16 A.W.G 0.5-1.5mm² | 红色 Red | |||
| BNY-2 | 27.3 | 3.8 | 2.3 | 16-14 A.W.G 1.5-2.5mm² | 蓝色 Blue | |||
| BNY-5.5 | 27.3 | 5.3 | 3.4 | 12-10 A.W.G 4.0-6.0mm² | 黄色 Yellow | |||

| 编 号 Item NO. | 尺寸 Dimension (mm) | 导线面积 A.W.G mm² | 颜 色 Color | |||||
| L | DΦ | dΦ | ||||||
| BNY-1.25 | 27.3 | 3.2 | 1.7 | 22-16 A.W.G 0.5-1.5mm² | 红色 Red | |||
| BNY-2 | 27.3 | 3.8 | 2.3 | 16-14 A.W.G 1.5-2.5mm² | 蓝色 Blue | |||
| BNY-5.5 | 27.3 | 5.3 | 3.4 | 12-10 A.W.G 4.0-6.0mm² | 黄色 Yellow | |||